Productdetails
Plaats van herkomst: Guangdong, China
Merknaam: LINK-PP
Certificering: UL,RoHS,Reach,ISO
Modelnummer: LP22BC01301
Document: LP22BC01301.pdf
Betaling & het Verschepen Termijnen
Min. bestelaantal: 1 stks, gratis monsters
Prijs: $2.12-$4.12
Verpakking Details: Ladepakking
Levertijd: 3-5 dagen
Betalingscondities: TT, net30/60/90 dagen
Levering vermogen: 5 kk/maand
Inplugbaar I/O-type: |
Kooiconstructie met geïntegreerde SFP+ connector |
EMI-afscherming: |
Ja |
Bedrijfstemperatuur: |
-40 – 85°C |
Afmetingen: |
63,25x29,00x25,53mm |
Compatibele merken: |
TE |
Soorten: |
SFP+ |
Aantal poorten: |
2xN |
Gegevenssnelheid (Max) ((Gb/s): |
16 |
Beëindigingsmethode: |
Druk op Fit |
lichtpijpen: |
met |
Verwarmingsboilers: |
Zonder |
Type EMI-containment: |
Elastomeerpakking |
Inplugbaar I/O-type: |
Kooiconstructie met geïntegreerde SFP+ connector |
EMI-afscherming: |
Ja |
Bedrijfstemperatuur: |
-40 – 85°C |
Afmetingen: |
63,25x29,00x25,53mm |
Compatibele merken: |
TE |
Soorten: |
SFP+ |
Aantal poorten: |
2xN |
Gegevenssnelheid (Max) ((Gb/s): |
16 |
Beëindigingsmethode: |
Druk op Fit |
lichtpijpen: |
met |
Verwarmingsboilers: |
Zonder |
Type EMI-containment: |
Elastomeerpakking |
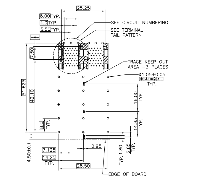
LINK-PP LP22BC01301 SFP+ 2x2 Cage Connector met externe lichtpijp.
DeLP22BC01301 SFP+ 2x2 Cage Connectordoor LINK-PP is een hoogwaardige, aansluitbare I/O-aansluiting ontworpen voornetwerkapparatuur met hoge snelheid, bedrijfs-switches en datacentertoepassingenMet een2x2 havenmatrixenintegratie van de buitenste lichtpijp, deze kooi zorgt ervoorrobuuste signaalintegriteit, betrouwbare EMI-beheersing en veilige SFP+-moduleparing.
Ontworpen voorPCB-ontwerpers, netwerkingenieurs en OEM-aankoopteams, biedt hetmet een diameter van niet meer dan 20 mm,, de naleving van de eisen inzake hoge temperaturen en de verpakking in een dienblad voor een gemakkelijke montage.
1. Insteekbaar I/O-type:Cage-assemblage met geïntegreerde SFP+-connector
2. Portconfiguratie:2x2 matrix, 4 poorten
3Posities:Standaard SFP+ 80 posities
4Lichtspijp:Voor LED-indicatoren is een buiten- en binnenlichtpijp inbegrepen
5EMI-containment:Het ontwerp van de kooi zorgt voor EMI-bescherming
6. Verzegelbaar:Niet gespecificeerd (typische SFP+-bescherming van kooien)
7Datatarief:Ondersteunt SFP+-snelheden tot 1016 Gb/s
8- Werktemperatuur:-40 ∼ 85°C
9. PCB-bevestiging:Door-gat, press-fit, rechte hoek
10Housingmateriaal:Hoogtemperatuur LCP, UL94 V-0
11Materiaal van de kooi:koperen legering, met een dikte van 0,25 mm
12- Contactpersonen:Fosforbronzen, 0,20 mm dik, 15 μm verguld op het paringsgebied
13Lente:roestvrij staal, 0,20 mm dik
14Afmetingen:
| Parameter | Specificatie |
|---|---|
| Contactmateriaal | Fosforbronzen, 0,20 mm dik |
| Platering van het paringsgebied | Minimum 15 μm goud |
| Tailplating | Matte tin op soldeerstaart |
| Veermateriaal | roestvrij staal, 0,20 mm dik |
| Gegevenspercentage | tot en met 16 Gb/s |
| Contact huidige rating | 0.5 A |
| Montage van PCB's | Door-gat, press-fit |

A: Dit model is geoptimaliseerd voor SFP+-snelheden tot 16 Gb/s. De compatibiliteit met SFP28 moet worden gecontroleerd.
A: Ja, de meegeleverde binnen- en buitenlichtpijp ondersteunt standaard LED-indicatoren.
A: De kooi ondersteunt -40°C tot 85°C.
A: Ja, LP22BC01301 wordt geleverd in een voor geautomatiseerde montage geschikte bakverpakking.